修理技師の関と申します。
今回は旋盤という工具を使ったパーツ別作作業についてご説明していきたいと思います。
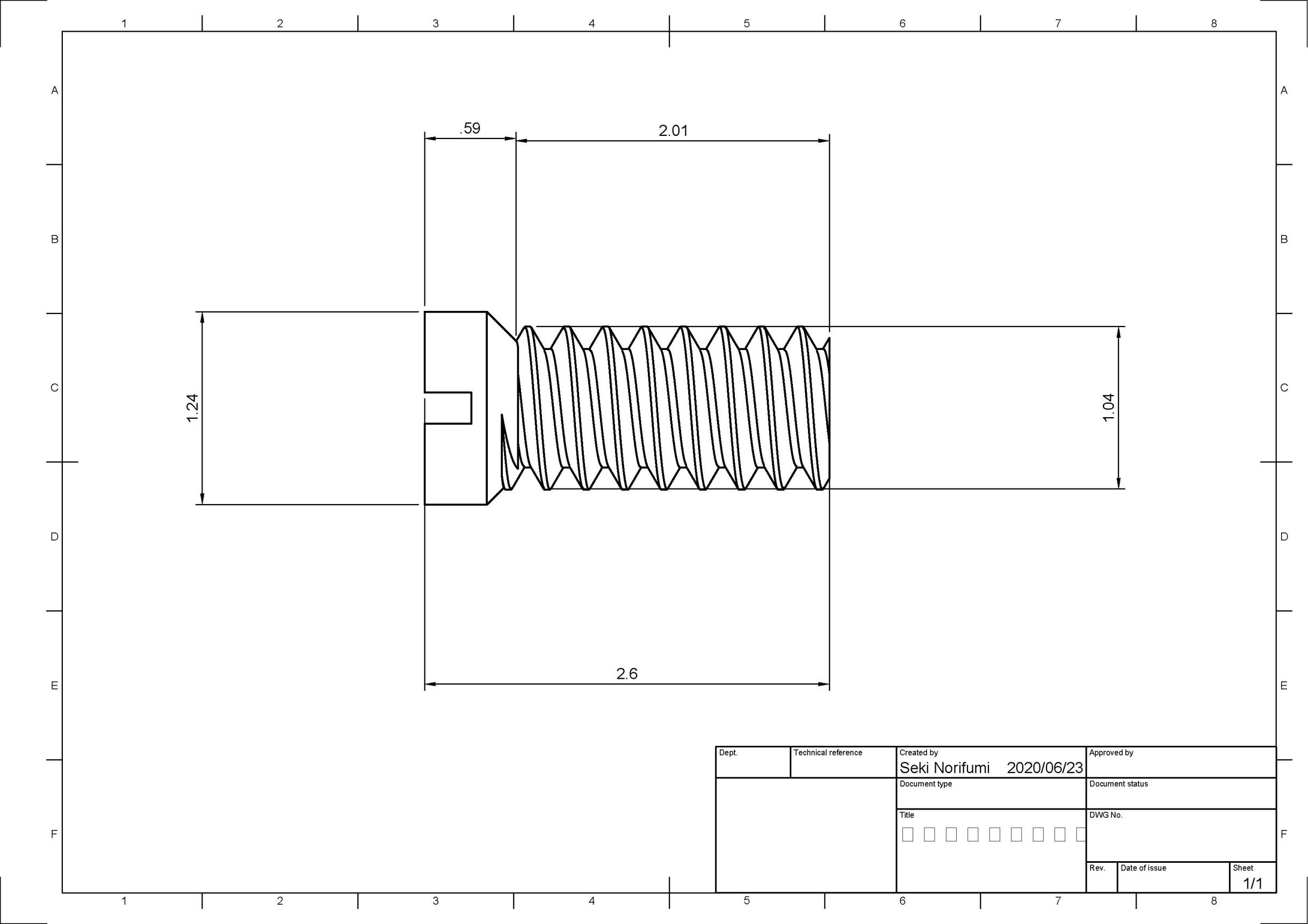
時計旋盤によるパーツ製作 カルティエヴァンドーム用18KYGネジ別作 / Timepiece lathe work / Screw for Cartier Vandome
まず旋盤とは、パーツの素材となる金属の棒材を固定して回転させ、そこに刃物を当てて削ることで、金属を様々な形状に加工することができる工具です。
古いムーブメントや外装のネジ等は交換できるパーツが無い場合があり、パーツを1から新しく製作します。
長年をかけて使いこなしていくことで、時計のムーブメントから外装に至るまで、ほぼすべてのパーツを製作することができます。

今回は特に製作する機会の多い、外装のネジの製作工程を解説します。
裏蓋を固定するためのネジが欠損してしまったカルティエのヴァンドームがありますので、こちらのネジを作っていきます。

オリジナルのネジと同じようにする為、まずは残っている見本となるネジの寸法を計測します。

寸法が計測できたら、ネジの最も太い部分よりも太い素材を選択して旋盤にチャッキングします。今回はネジの頭がΦ1.24だったので、Φ1.5の18金の棒を使います。

まずは素材の端面を平らにし、ネジを切る部分の太さに合わせます。
ネジのサイズが1.0mmなので、0.8mmほどに細くしていきます。

太さができたら、ネジ山を成形するダイスという工具を使用します。

ネジの切り方には、素材を削り取ってネジ山を成形する「切削」という方法と、素材をネジの形に変形させてネジ山を盛り上げる「転造」という二通りの方法があります。
当店では、メーカーの作り方により近い転造でネジを作っています。
市販されている転造ダイスは切削用ダイスの2~3倍ほど値段がしますが、切削ダイスよりもネジ山が深く、材料を締めて硬くできる効果もあり、摩耗に強いメリットがあるためです。
量産のネジはほとんど転造で作られているため、見た目もオリジナルに近づけることができます。
ネジが成形出来たら、ネジ頭の太さを作ります。
そこまでできたら母材から切り離します。

次はネジの頭を成形していきます。
ネジ部分をそのまま旋盤で掴むと、せっかく作ったネジがつぶれてしまいますので、真鍮の棒材に雌ねじを切ってそこに固定します。
ネジの頭の厚みを出して、頭の表面を磨きます。後の仕上げに、ネジを回すためのネジ溝を切っていきます。
細い糸ノコギリや、薄く加工したやすりなどで削ります。
ここでネジの中心を外れたところに溝が入ってしまうとすべてやり直しになってしまうため、慎重に作業します。

また、まとまった個数を作るときは、ミーリングアタッチメントという工具を画像のように旋盤に取り付けて、専用のカッターを使ってカットすることもあります。
ミーリングアタッチメントは、使いこなせば歯車を作ったりすることもできる工具です。

セッティングに時間がかかりますが、いったんセットすれば同じ作業を何度も行うことができ、仕上がりをきれいに揃えることができます。
ネジが完成しました。


時計は年代が古くなるにつれて、交換可能な部品が少なくなっていきます。
着用後はサビなど防止の為クロスで拭いてあげたり、機械の定期的なオーバーホールを行えば故障のリスクを減らせる事は可能ですが、腕に着用して使用する機械ですので突発的な故障はつきものです。
日々時計と向き合いながら、お客様が安心して御使用が出来るように考えております。
当店では以上のネジをはじめ、パーツを作ることによって、部品が入手できない時計を修理するご提案が可能です。
よろしければお気軽にご相談ください。
ネジ別作 参考価格¥10000~ 18k素材代別途請求